|
<< Zum Anzeigen des Inhaltsverzeichnisses anklicken >> Navigation: ANLEITUNGEN - HANDBÜCHER > MODELL ZDK-250 > ab Serien-Nr. 365000 > Umbauanleitungen > Umbau Inclinometer bei Steuerkarte ZePro 1 |
1. Übersicht
▪Ausbau Inclinometer, siehe Arbeitsschritte 1 - 6.
▪Einbau Halter und Sensoren "S2" und "S3", siehe Arbeitsschritte 7 - 14.
HINWEIS: Online Zugang zu diesem Dokument erhalten Sie via Browser unter Eingabe folgender Internetadresse:
https://mammutlift-technik.ch/hm/index.html?monanl_modzdk250_ubk_incli_zepro1.html
2. Lieferumfang Umbaukit

3. Anleitung Umbau
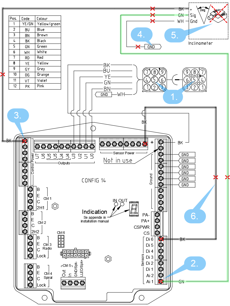
Ausbau Inclinometer - Arbeitsschritte 1 - 6 |
Einbau Sensoren "S2" und "S3" - Arbeitsschritte 7 - 14 |
1. Trenne die 9-polige Steckverbindung im Hydraulikaggregat. 2. Löse die grüne Litze an "Ai 1" bei "Sensors". 3. Löse die schwarze Litze bei "Controll Power". 4. Löse die weisse Litze (GND) bei "Ground". 5. Entferne den Inclinometer von der Plattform, inkl. Kabel. 6. Entferne die Brücke zwischen "Di 6" und "Sensor Power". |
7. Montiere die Sensoren S2 und S3 an den Halter (falls nicht vormontiert). 8. Montiere die Sensoreinheit an die Plattform und verlege die Kabel. 9. Montiere die schwarze Litze von S2 und S3 an die Klemme "Sensor Power". 10. Montiere die braune Litze (GND) von S2 und S3 an die Klemme "Ground". 11. Montiere die blaue Litze von S3 an die Klemme "Di 3" bei "Sensors". 12. Montiere die blaue Litze von S2 an die Klemme "Di 2" bei "Sensors". 13. Verbinde an Ctrl 1 "C" und "2H1" bzw. an Ctrl 2 "C" und "2H2". 14. Füge die 9-polige Steckverbindung im Hydraulikaggregat zusammen. |
![]() Abbildung: Ausbau Inclinometer |
![]() Abbildung: Einbau Sensoren S2 und S3
HINWEIS: Neues Elektro- und Hydraulikschema nach Umbau 1 auf Sensoren S2 und S3. |
4. Anschliessen von Bedieneinheiten |
▪Aussenbedienung rechts immer an Ctrl 1 anschliessen. ▪Aussenbedienung links an Ctrl 2 anschliessen, ausser die Klemme ist bereits belegt durch die Funkfernbedienung. ▪Funkfernbedienung immer an Ctrl 2 anschliessen. ▪Fussfernbedienung an Ctrl 3 anschliessen. ▪Innenbedienung an Ctrl 4 anschliessen oder direkt an der Aussenbedienung. |