Transformation de l'inclinomètre et du convertisseur AD sur la carte relais TLC-B1

<< Cliquez pour afficher la table des matières >>

Navigation :  INSTRUCTIONS - MANUELS > MODÈLE Z-1500 > à partir du numéro de série 365000 > Instructions de transformation >

Transformation de l'inclinomètre et du convertisseur AD sur la carte relais TLC-B1

1. Aperçu

 

Démontage de l'inclinomètre et du convertisseur AD, voir étapes 1 - 13.

Montage de la platine supplémentaire "55027", voir étapes 14 - 19.

Montage du support et des capteurs "S2" et "S3", voir étapes 20 - 27.

Montage du kit de relais "79324TL" pour la vanne "TSR", voir étapes 28 - 38.

Raccordement des unités de commande, voir étapes de travail 39 - 41.


REMARQUE : Vous pouvez accéder à ce document en ligne via un navigateur en entrant l'adresse Internet suivante :

https://mammutlift-technik.ch/hm/index.html?monanl_modz1500_ubk_ad-w_version2.html


2. Volume de livraison du kit de transformation

 

lieferumfang_umbaukit_ad-w_steuerkarte_version2_hx



3. Instructions de transformation

 

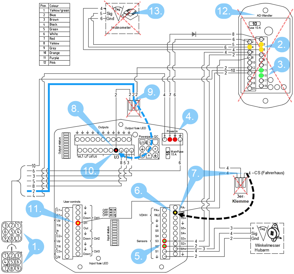
3.1 Démontage de l'inclinomètre et du convertisseur AD - Voir étapes de travail 1 - 13

1. Déconnecte le connecteur à 9 pôles dans le groupe hydraulique.

2. Retire les torons aux n° 3, 4 et 5 (marqués en jaune).

3. Retire les fils des n° 13 et 15 (marqués en vert).

4. Retire le fil rouge et le fil "blanc" au niveau de "Power in" (marqué en rouge).

5. Retire les fils de "S2" et "S3" au niveau des "capteurs" (marqués en rouge et vert).

6. Retire le fil sur "CS" près de "ETMA" (marqué en noir et jaune).

7. Déplace le fil "CS de la cabine" de la borne 3 à la connexion "CS" de "ETMA" (marquée en noir et jaune).

8. Retire le fil de "U3" de "Outputs" (marqué en noir et rouge).

9. Coupe les câbles du connecteur bleu 3.

10. Monte le fil bleu (venant du connecteur à 9 pôles) sur le raccordement "U3" près de "Outputs" (marqué en noir et rouge) .

11. Retire le fil de la borne "2H" de "Ctrl 1" (marquée en rouge et jaune).

12. Démonte le convertisseur AD, y compris le support et tous les fils encore fixés au convertisseur.

13. Démonter l'inclinomètre de la plate-forme, y compris la connexion par câble à la carte relais TLC-B1.

Étapes de travail 1- 13

schema_umbaukit_ad-wandler_v2_hx


3.2 Montage de la platine 55027 - Voir étapes de travail 14 - 19

14. Monte la platine "55027" à l'arrière de la carte de relais TLC-B1 .

     Utilise la vis, l'écrou, la rondelle et la douille filetée du convertisseur AD démonté précédemment.

15. Retirer tous les fils de la carte de relais TLC-B1 qui vont sur les bornes de Ctrl 1, 2 et 3.

16. Relie les fils de la connexion "platine TLC-B1" aux connexions libres sur "Ctrl 1" (sur la platine de relais TLC-B1).

17. Place le connecteur 5 pour "2H" selon la figure.

18. Montez le fil vert sur "2H" près de "Ctrl 1".

19. Montez l'extrémité libre du fil orange (déjà relié au "connecteur à 9 pôles") sur le "connecteur à 5 pôles" (voir aussi point 17).

 

Étapes de travail 14 - 19

Figure : montage de la platine supplémentaire 55027

Figure : montage de la platine supplémentaire 55027

Figure : placement du connecteur 5 pour 2H

Figure : placement du connecteur 5 pour 2H

 

 

Figure : Raccordement de la platine supplémentaire 55027 au TLC-B1

Figure : Raccordement de la platine supplémentaire 55027 au TLC-B1

 

 

 


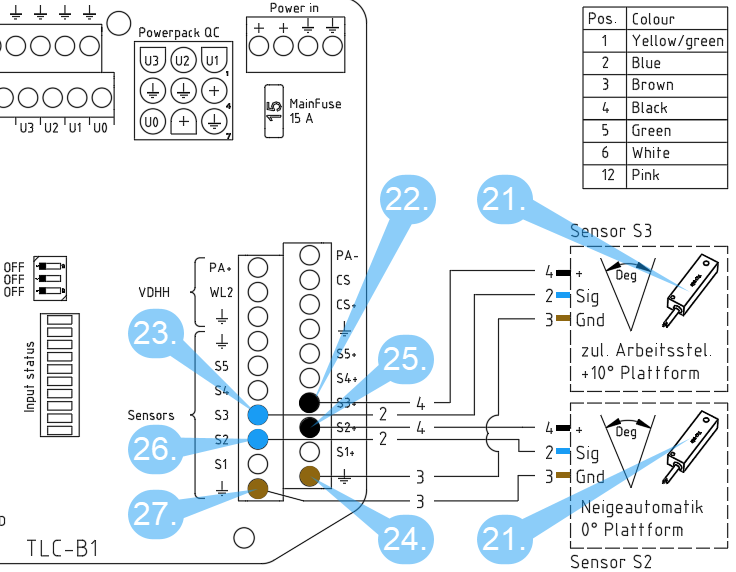
3.3 Montage du support et des capteurs "S2" et "S3" - voir étapes 20 - 27

20. Monter les capteurs S2 et S3 sur le support (s'ils ne sont pas prémontés).

21. Monte l'unité de capteur sur la plate-forme et pose les câbles.

22. Monter le fil noir du capteur S3 sur la borne "S3+" près de "Sensors".

23. Monter le fil bleu du capteur S3 sur la borne "S3" à "Sensors".

24. Monter le fil marron du capteur S3 sur la borne (-) de "Sensors".

25. Monte le fil noir du capteur S2 sur la borne "S2+" de "Sensors".

26. Monter le fil bleu du capteur S2 sur la borne "S2" de "Sensors".

27. Monte le fil marron du capteur S2 sur la borne (-) de "Sensors".

 

Étapes de travail 20 - 27

Figure : montage de l'unité de capteur S2 et S3

Figure : montage de l'unité de capteur S2 et S3


3.4 Montage du kit de relais pour la vanne TSR - voir étapes 28 - 38

28. Débrancher le connecteur de la bobine de la vanne "TSR".

29. Coupe le câble orange entre le connecteur bleu 2 et "PIN 5" du connecteur à 9 pôles.

30. Retire le fil noir (vers le connecteur "TSR") du "raccord négatif" rond près du moteur et enlève le câble.

31. Fixe le relais (voir kit de relais 79324TL) au contacteur du moteur à l 'aide d'un serre-câble , fais passer le câble vers la vanne "TSR" et branche-le.

32. Connecte les deux fils noirs (venant du relais et du câble de la vanne "TSR") à laborne "moins" du moteur.

33. Coupe le fil noir (environ au milieu) qui passe entre le connecteur à 9 pôles (PIN 3) et la bobine de la vanne "V3".

34. Relie les deux extrémités libres du fil noir coupé à la borne Wago 3 fournie dans le kit de transformation.

35. Relie le fil bleu détaché, venant du relais "connexion 30", à la borne Wago 3 fournie.

36. Presse l'extrémité libre du fil orange (venant de la "PIN 5" du connecteur à 9 pôles) sur la cosse plate jointe.

37. Sur le socle du relais, retire le fil orange au niveau de la "borne 86" et insère à la place le fil avec la cosse de câble préalablement pressée.

38. Réunis le connecteur à 9 pôles dans le groupe hydraulique.

 

Étapes de travail 28 - 38

Illustration : Démontage et montage du relais et du faisceau de câbles de la vanne TSR

Illustration : Démontage et montage du relais et du faisceau de câbles de la vanne TSR

 


3.5 Raccordement des unités de commande - voir étapes de travail 39 - 41

39. Raccorder les fils de câbles de toutes les unités de commande conformément à l'aperçu ci-dessous.

40. Raccorder le bouton 2H optionnel (si disponible) selon le schéma électrique séparé.

41. Retire l'étrier de maintien avec les bornes Wago qui servait d'extension au raccordement (Ctrl 1).

 

 

55027_bedieneinheit_aussen_rechts_standard_hx