|
<< Cliquez pour afficher la table des matières >> Navigation : INSTRUCTIONS - MANUELS > MODÈLE Z-2000 > à partir du numéro de série 365000 > Instructions de transformation > Transformation de l'inclinomètre pour la carte de commande ZePro 1 |
1. Aperçu
▪Démontage de l'inclinomètre, voir étapes 1 à 6.
▪Montage du support et des capteurs "S2" et "S3", voir étapes de travail 7 - 14.
REMARQUE : Vous pouvez accéder à ce document en ligne via un navigateur en entrant l'adresse Internet suivante :
https://mammutlift-technik.ch/hm/index.html?monanl_modz1500_ubk_incli_zepro1.html
2. Volume de livraison du kit de transformation

3. Instructions de transformation
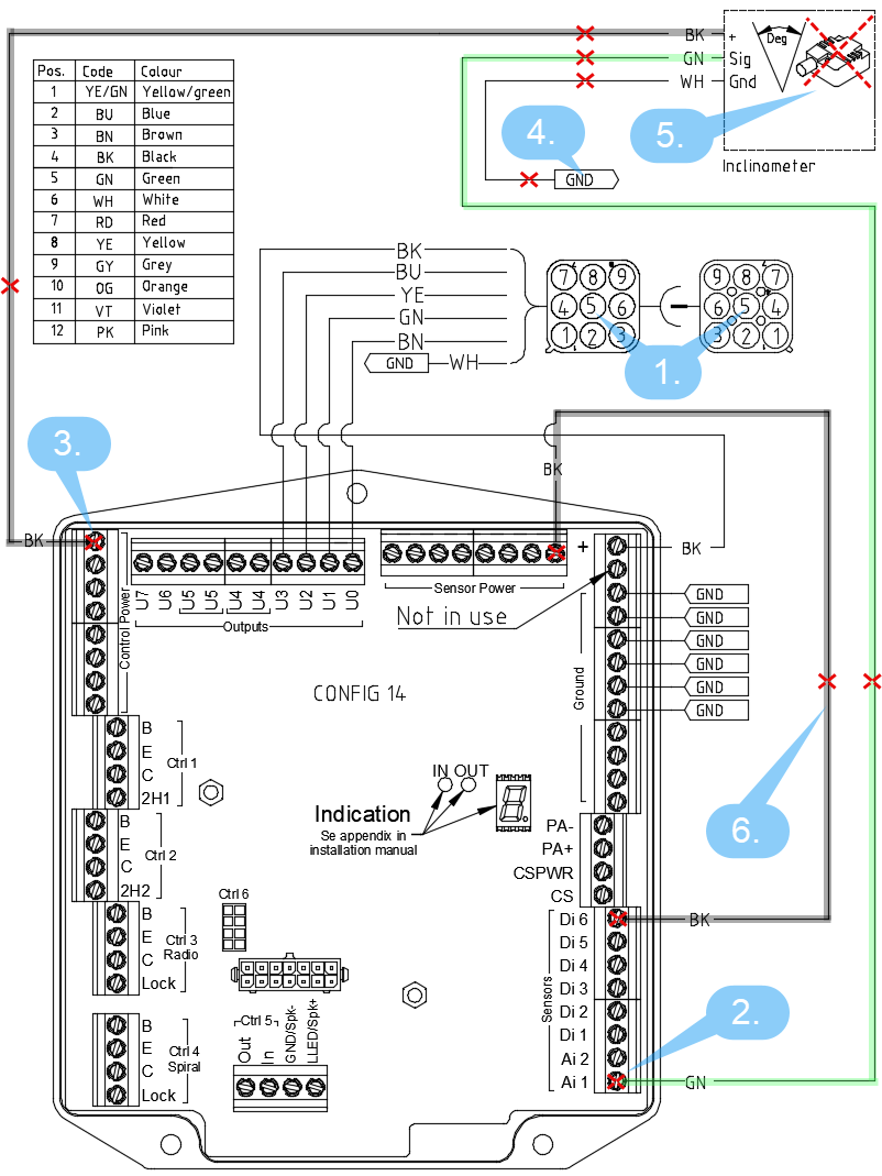
Démontage de l'inclinomètre - étapes de travail 1 - 6 |
Montage des capteurs "S2" et "S3" - Opérations 7 - 14 |
1. Déconnecte le connecteur à 9 pôles dans le groupe hydraulique. 2. Débranchez le fil vert sur "Ai 1" au niveau des "capteurs". 3. Débranchez le fil noir de "Controll Power". 4. Débranchez le fil blanc (GND) de "Ground". 5. Retirer l'inclinomètre de la plate-forme, y compris le câble. 6. Retire le pont entre "Di 6" et "Sensor Power". |
7. Monter les capteurs S2 et S3 sur le support (s'ils ne sont pas prémontés). 8. Monter l'unité de capteur sur la plate-forme et poser les câbles. 9. Monte le fil noir de S2 et S3 sur la borne "Sensor Power". 10. Monter le fil marron (GND) de S2 et S3 sur la borne "Ground". 11. Monte le fil bleu de S3 sur la borne "Di 3" de "Sensors". 12. Montez le fil bleu de S2 sur la borne "Di 2" de "Sensors". 13. Relie sur Ctrl 1 "C" et "2H1" ou sur Ctrl 2 "C" et "2H2". 14. Assemble le connecteur à 9 pôles dans le groupe hydraulique. |
![]() Illustration de la procédure : Démontage de l'inclinomètre |
![]() Figure : Montage des capteurs S2 et S3
REMARQUE : Nouveau schéma électrique et après transformation 1 sur capteurs S2 et S3. |
4. raccordement des unités de commande |
▪Toujours raccorder la commande extérieure droite à Ctrl 1. ▪Raccorder la commande extérieure gauche à Ctrl 2, sauf si la borne est déjà occupée par la télécommande radio. ▪Toujours brancher la télécommande radio sur la touche 2. ▪Brancher la télécommande au pied sur la touche 3. ▪Raccorder la commande intérieure à la commande 4 ou directement à la commande extérieure. |